Panasonic JW1AFSN-DC24V-TV
- Описание
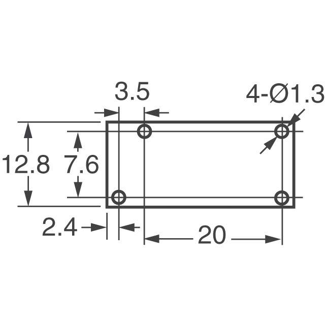
- Однотактное силовое реле, напряжение катушки: Uк = 24 VDC, конфигурация контактов: SPST-NO (1 Form A), номинальный ток нагрузки: Iн = 10 А, коммутируемое напряжение: 250 VAC, 30 VDC - Max, особенность: Sealed - Fully, тип монтажа: через отверстия, выводы: PC Pin, упаковка: Tray.
- Производитель
- Panasonic
- Раздел каталога
- Силовые реле (ток >2 А)
- Артикул
- JW1AFSN-DC24V-TV
- Документация
- Силовые реле Panasonic серии JW
Цены, техническая информация и изображения представлены для ознакомления. Завод-изготовитель может изменять характеристики и внешний вид изделия без уведомления. Актуальную информацию запрашивайте у наших менеджеров.
|
Производитель
Англ.: Manufacturer. |
Panasonic |
|
Серия
Англ.: Series. |
JW |
|
Тип реле
Англ. Relay Type |
General Purpose |
|
Конфигурация контактов
Конфигурация контактов (англ. Contact Form) включает в себя количество полюсов (англ. Number of Poles) и количество положений (англ. Number of Throws). Полюс – это контакт общий для каждой коммутируемой цепи. Каждый контакт, на который может соединяться полюс, называетя положением. Реле может иметь M полюсов и N положений.
SPST – один полюс, одно положение (англ. Single-Pole Single-Throw). SPDT – один полюс, два положения (англ. Single-Pole Double-Throw). DPDT – два полюса, два положения (англ. Double-Pole Double-Throw). Для обозначения конфигураций с большим количеством контактов заменяют соответствующую букву на цифру, например: 5PST – пять полюсов с одним положением. Основные типы контактов:
|
SPST-NO (1 Form A) |
|
Режим работы реле
По режиму работы реле делятся на однотактные и реле с фиксацией контактов.
|
Non Latching |
|
Напряжение катушки
Номинальное напряжение катушки (англ. Rated Coil Voltage) – значение напряжения на катушке реле, определённое изготовителем, к которому относятся рабочие и эксплуатационные характеристики. |
24VDC |
|
Ток катушки
Coil Current |
22mA |
|
Номинальный ток нагрузки
Номинальный ток нагрузки (англ. Contact Rating Current) – значение тока резистивной нагрузки (если не указано иное), при котором контакты реле надежно переключаются при определенных условиях. |
10A |
|
Коммутируемое напряжение
Коммутируемое напряжение (англ. Switching Voltage) – значение напряжения в коммутируемой цепи. При использовании реле необходимо обращать внимание на максимально допустимое значение коммутируемого напряжения, его превышение может привести реле к выходу из строя. |
250VAC, 30VDC - Max |
|
Напряжение включения
Англ.: Turn On Voltage |
16.8 VDC |
|
Напряжение выключения
Англ.: Turn Off Voltage |
2.4 VDC |
|
Время срабатывания
Англ.: Operate Time |
15ms |
|
Время выключения
Англ.: Release Time |
5ms |
|
Особенности
Англ. Features |
Sealed - Fully |
|
Тип монтажа
Англ.: Mounting Type |
Through Hole |
|
Тип выводов
Англ.: Termination Style |
PC Pin |
|
Рабочая температура
Рабочая температура (англ. Operating Temperature) – это диапазон температур, при которых компонент или устройство может нормально функционировать. Сокращения:
Формулы связи шкалы Фаренгейта и Цельсия: ([°F] – 32) : 1,8 = [°C] [°C] × 1.8 + 32 = [°F] |
-40°C ~ 60°C |
|
Упаковка
Упаковка (англ. Packaging)
|
Tray |
Самовывоз
Вы можете забрать товар самостоятельно в нашем офисе по адресу г. Санкт-Петербург, проспект Шаумяна, 10, к1.
Доставка по Санкт-Петербургу
Наша компания осуществляет собственную курьерскую доставку по Санкт-Петербургу в пределах КАД. Доставка по Ленинградской области согласовывается дополнительно.
Вы также можете воспользоваться услугами специализированных курьерских служб по их тарифам.
Доставка по России
Доставка товаров по России осуществляется посредством выбранной Вами транспортной компании (ТК) и по её тарифам.
Подробную информацию о доставке смотрите в соответствующем разделе нашего сайта: подробнее о доставке.
Срок поставки до нашего склада указывается в коммерческом предложении, а также в счёте на оплату. Он исчисляется с момента поступления денежных средств на наш расчетный счет.
В каждом конкретном случае Вы будете знать срок поставки заранее, он зависит от наличия требуемых компонентов на мировых складах, сроков производства, скорости формирования сборных грузов и прохождения таможенных процедур.
Большинство электронных компонентов, предлагаемых нами, поставляется с мировых складов поставщиков или производителей. По этой причине доставка радиодеталей в сжатые сроки очень затруднительна.

