(812) 622-17-70

CDE MIN02-002C030D-F

Описание
CAP PTFE 3PF 0.5PF 300V SMD
Производитель
CDE
Раздел каталога
Слюдяные и PTFE-конденсаторы
Артикул
MIN02-002C030D-F
Документация
CDE MIN02-002C030D-F (спецификация)

Цены, техническая информация и изображения представлены для ознакомления. Завод-изготовитель может изменять характеристики и внешний вид изделия без уведомления. Актуальную информацию запрашивайте у наших менеджеров.

Производитель

Англ.: Manufacturer.

CDE
Серия

Англ.: Series.

MIN02
Емкость
Capacitance
3pF
Допустимое отклонение
Tolerance
±0.5pF
Напряжение номинальное

Номинальное напряжение (англ. Rated Voltage) – значение напряжения, определённое изготовителем, к которому относятся рабочие и эксплуатационные характеристики.

300V
Диэлектрик

Англ. Dielectric Material

Polytetrafluoroethylene (PTFE)
Тип монтажа

Англ.: Mounting Type

Surface Mount
Корпус

Англ. Package / Case

Nonstandard SMD
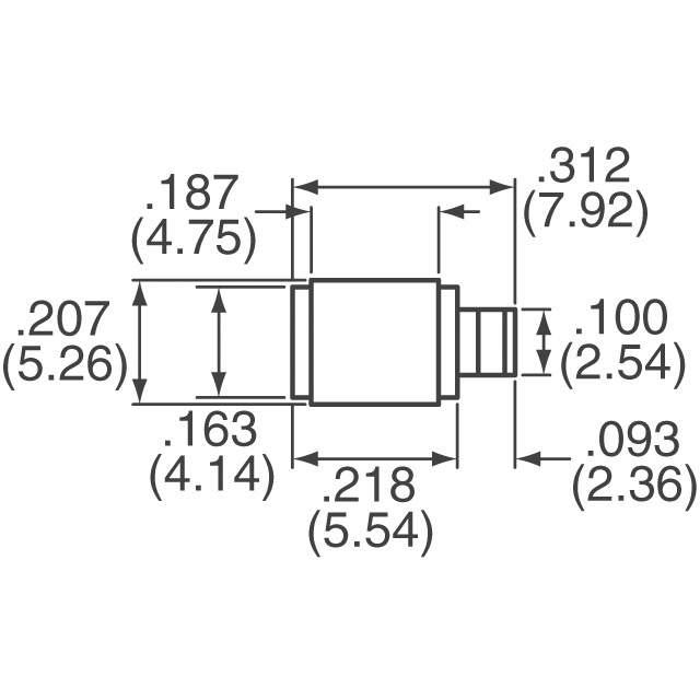
Размер/габарит

Англ. Size / Dimension

0.218" L x 0.400" W (5.54mm x 10.16mm)
Особенности

Англ. Features

RF, High Frequency
Рабочая температура

Рабочая температура (англ. Operating Temperature) – это диапазон температур, при которых компонент или устройство может нормально функционировать.

Сокращения:

  • TA – температура окружающей среды (англ. Ambient Temperature)
  • TC - температура корпуса (англ. Case Temperature)
  • Tj - температура p-n-перехода (англ. Junction Temperature)
  • TSTG - температура хранения (англ. Storage Temperature)

Формулы связи шкалы Фаренгейта и Цельсия:

([°F] – 32) : 1,8  = [°C]

[°C] × 1.8 + 32 = [°F]

-55 ~ 200°C
Упаковка

Упаковка (англ. Packaging)

  • Tube – компоненты упаковываются в пластиковую трубку специального профиля с фиксирующими резиновыми заглушками или пластиковыми штифтами по краям. Такая упаковка защищает выводы упакованных деталей от деформации. Для упаковки используются трубки с соответствующими показателями по защите от статического электричества и влажности.
  • Tape & Reel – электронные компоненты находятся на ленте, намотанной на пластиковую катушку. Размер катушки, шаг, количество, ориентацию и другую подробную информацию обычно можно найти в заводской спецификации детали. Такой тип упаковки позволяет использовать автоматическое сборочное оборудование.
  • Tape & Box – лента, содержащая детали, свернута в спираль или сложена «гормошкой» и вставлены в коробку. Лента обычно вытягивается из отверстия в верхней части коробки. Размер ленты, количество и ориентация деталей, а также другая подробная информация обычно указывается в заводской спецификации. Лента и коробка упакованы в соответствии с требованиями защиты от электростатического разряда (ESD) и уровня защиты от влаги (Moisture Sensitivity Level), установленными изготовителем.
  • Cut Tape – компоненты находятся на ленте, отрезанной от катушки Tape & Reel, и содержит точное количество заказанных деталей. Необходимо учитывать, что отрезная лента не содержит кондуктора, поэтому такая упаковка непригодна для многих автоматических сборочных машин.
  • Tray – компоненты упакованы на лоток. Лотки упаковываются в соответствии с требованиями защиты от электростатического разряда (ESD) и уровня защиты от влаги (Moisture Sensitivity Level), установленными изготовителем.
  • Bulk – упаковка россыпью (обычно в пакет). Такой тип упаковки, как правило не пригоден для автоматизированного монтажа. Массовые партии упаковываются в соответствии с требованиями защиты ESD (ElectroStatic Discharge) и MSL (уровень чувствительности к влажности), установленными изготовителем.
  • Ammo – компоненты находятся на ленте, сложенной зигзагом в коробку. Коробки упаковываются в соответствии с требованиями защиты от электростатического разряда (ESD) и уровня защиты от влаги (Moisture Sensitivity Level), установленными изготовителем.
Bulk

Самовывоз

Вы можете забрать товар самостоятельно в нашем офисе по адресу г. Санкт-Петербург, проспект Шаумяна, 10, к1.

Доставка по Санкт-Петербургу

Наша компания осуществляет собственную курьерскую доставку по Санкт-Петербургу в пределах КАД. Доставка по Ленинградской области согласовывается дополнительно.

Вы также можете воспользоваться услугами специализированных курьерских служб по их тарифам.

Доставка по России

Доставка товаров по России осуществляется посредством выбранной Вами транспортной компании (ТК) и по её тарифам.

Подробную информацию о доставке смотрите в соответствующем разделе нашего сайта: подробнее о доставке.

Кол-во Цена за ед.
Внимание! Ниже указаны ознакомительные цены. Конечная цена может сильно отличаться от начальной и зависит от количества и веса товара, выбранного каталога, курса валют.
Цена по запросу
Срок поставки на электронные компоненты

Срок поставки до нашего склада указывается в коммерческом предложении, а также в счёте на оплату. Он исчисляется с момента поступления денежных средств на наш расчетный счет.

В каждом конкретном случае Вы будете знать срок поставки заранее, он зависит от наличия требуемых компонентов на мировых складах, сроков производства, скорости формирования сборных грузов и прохождения таможенных процедур.

Большинство электронных компонентов, предлагаемых нами, поставляется с мировых складов поставщиков или производителей. По этой причине доставка радиодеталей в сжатые сроки очень затруднительна.